Hnfix!

Diễn đàn chia sẻ Bios - Boardview - Schematic - Tài liệu sửa chữa, đăng ký để được nhận tài liệu từ các thành viên khác.

Đăng Ký Ngay!
  • Vui lòng sử dụng chức năng tìm kiếm trước khi tạo chủ đề yêu cầu tài liệu. Chỉ các tài liệu trên diễn đàn Hnfix.vn nếu không có/ không sẵn/ chưa có chủ đề, chuyên mục. Các bạn vui lòng post chủ đề mới và đăng tải nội dung rõ ràng yêu cầu của mình Tại Đây. Nội dung chủ đề cần ghi rõ: Tên máy, Serial, Mã mainboard, lỗi gặp phải, Bios gốc của máy... Đầy đủ/chính xác để chúng tôi có thể support bạn tốt hơn.
    Cảm ơn!
    Please use the search function before creating a topic requesting documents. Only documents on the Hnfix.vn forum if not available/not available/no topic, category, thread... Please post a new topic, thread and post the clear content of your request Here. The topic content must clearly state: Machine name, Serial, Mainboard code, error encountered, original Bios of the computer... Complete/accurate so we can support you better. Change language English Here.
    Thank you!

TÀI LIỆU SỬA CHỮA

Lenovo Lenovo Rescuer-15ISK CY420/CY510 NM-A711

Lenovo 300-15ISK - NM-A711 BoardView.tvw
SuperX 5B Schematic
1695001837447
 

Đính kèm

  • 1695001779750.png
    1695001779750.png
    152.4 KB · Lượt xem: 174

SuperX 5B.pdf
1.8 MB · Lượt xem: 1

NM-A711.rar
4.3 MB · Lượt xem: 1

Lenovo Lenovo Yoga 730-13IKB DLZP3 LA-F571P

Lenovo Yoga 730-13IKB Compal LA-F571P r1.0
YOGA 730 13.3" 2UMA M/B Schematics Document
Intel...
 

Đính kèm

Yoga 730-13IKB - LA-F571P Location MAP.pdf
817.9 KB · Lượt xem: 1

Yoga 730-13IKB - LA-F571P r1.0.pdf
3.7 MB · Lượt xem: 1

Lenovo Lenovo ideapad V15 G2-ALC NM-D522

Lenovo v15 - NM-D522 REV0.2 Schematic And Boardview
1694327993022
 

Đính kèm

  • 1694327960226.png
    1694327960226.png
    240.1 KB · Lượt xem: 191
NM-D522.tvw
7.2 MB · Lượt xem: 3

NM-D522.pdf
4.2 MB · Lượt xem: 3

Lenovo Lenovo V330-14ARR - LA-F485P

Lenovo V330-14ARR - LA-F485P ( LA-F484P) Schematic
1694322275120
 

Đính kèm

LA-F485P REV0.1.pdf
2.5 MB · Lượt xem: 1

LA-F485P REV0.3.pdf
2.4 MB · Lượt xem: 1

LA-F485P REV1.0.pdf
2.5 MB · Lượt xem: 1

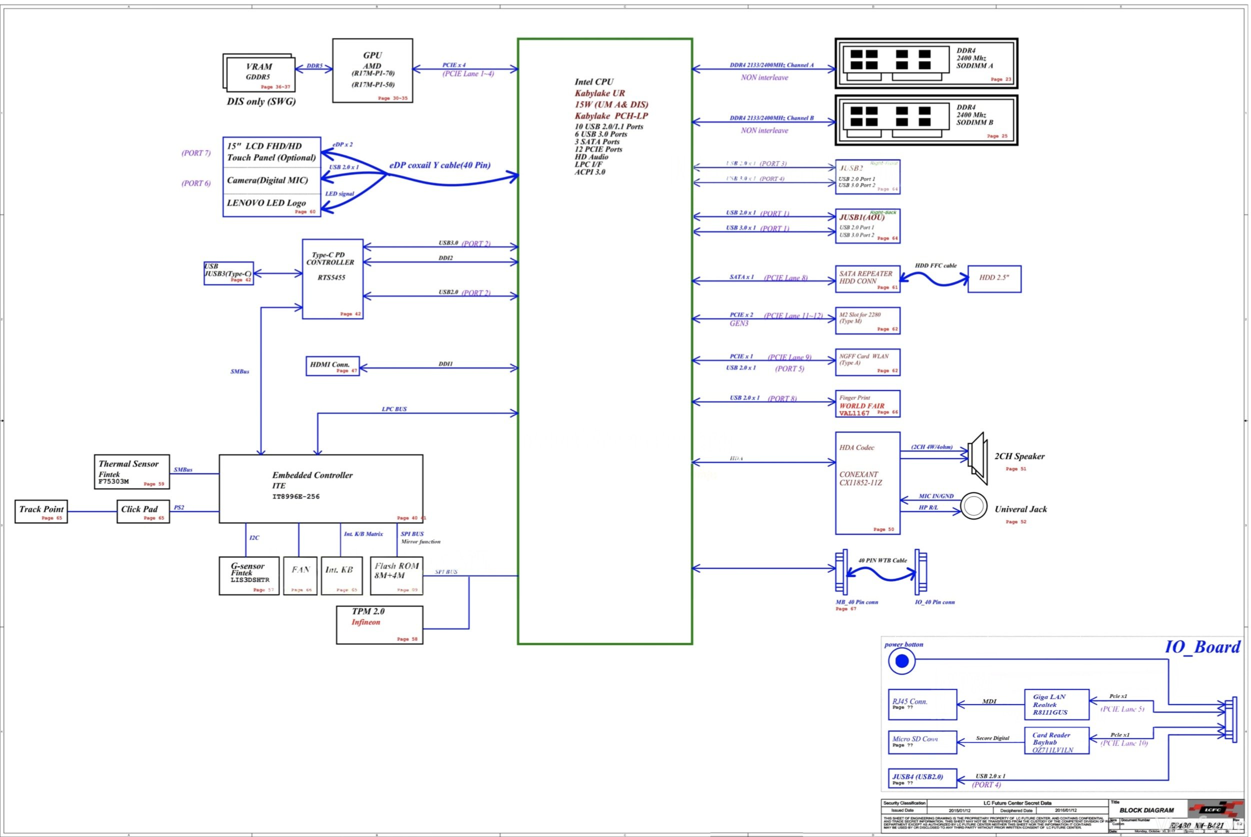
Lenovo Lenovo ThinkBook 15p Gen 2 LCFC HY520 NM-E021

Lenovo ThinkBook 15p Gen 2 LCFC HY520 NM-E021 Rev 1.0 BoardView
Lenovo ThinkBook 15p Gen 2 LCFC...
 

Đính kèm

  • 1693556368664.png
    1693556368664.png
    94.4 KB · Lượt xem: 173


Lenovo ThinkPad T15p Gen 3 (AMD) LCFC JP6A0/JT6A0 NM-E221

Schematic & Boardview for Lenovo ThinkPad T15p Gen 3 (AMD) Laptop/Notebook, LCFC JP6A0/JT6A0...
 

Đính kèm

  • 1693382032307.png
    1693382032307.png
    283.5 KB · Lượt xem: 174
03 JP6A0 NM-E221 Boardview.tvw
21.1 MB · Lượt xem: 1

03 JP6A0 NM-E221.pdf
4.7 MB · Lượt xem: 1

Lenovo Lenovo Ideapad 5 Pro 14ITL6 Compal GLI42 LA-K481P

Ideapad 5 Pro - 14ITL6 - LA-K481P REV1B
Schematics fix font
LS-K481P REV1A.pdf
LA-K481P...
 

Đính kèm

LA-K481P REV1B.pdf
1.7 MB · Lượt xem: 1

LF-K481P.pdf
139.7 KB · Lượt xem: 1

LS-K481P REV1A.pdf
195.4 KB · Lượt xem: 1

Sửa lần cuối bởi điều hành viên:

Lenovo Lenovo Yoga 2 Pro Model 20266 NM-A074 VIUU3 Rev.1.0

YOGA 2 PRO NM-A074
Schematics
Kona SVT-NCS Schematic Block Diagram
Lenovo YOGA2 PRO
LCFC NM-A074...
 

Đính kèm

  • 1662381474664.png
    1662381474664.png
    763.3 KB · Lượt xem: 245
LCFC NM-A074 r1.0.pdf
1.7 MB · Lượt xem: 3



YOGA 2 Pro I7 8G.zip
3.1 MB · Lượt xem: 1


Sửa lần cuối bởi điều hành viên:

Lenovo Lenovo K14 Gen 1 (AMD) LCFC JK4A5 NM-E141 Rev: 1.0

Lenovo LCFC NM-E141 REV: 1.0
BOARDVIEW
LCFC JK4A5 NM-E141 Schematic
1692067236389
 

Đính kèm

Lenovo LCFC NM-E141 REV1.0 BoardView.rar
837.8 KB · Lượt xem: 2

LCFC JK4A5 NM-E141 Schematic.pdf
2 MB · Lượt xem: 2

Sửa lần cuối:

Lenovo Lenovo IdeaPad Yoga 11s - LCFC NM-A121

Lenovo IdeaPad Yoga 11s - LCFC NM-A121 BoardView
1692957878543
 

Đính kèm


Top Bottom