Hnfix!

Diễn đàn chia sẻ Bios - Boardview - Schematic - Tài liệu sửa chữa, đăng ký để được nhận tài liệu từ các thành viên khác.

Đăng Ký Ngay!
  • Vui lòng sử dụng chức năng tìm kiếm trước khi tạo chủ đề yêu cầu tài liệu. Chỉ các tài liệu trên diễn đàn Hnfix.vn nếu không có/ không sẵn/ chưa có chủ đề, chuyên mục. Các bạn vui lòng post chủ đề mới và đăng tải nội dung rõ ràng yêu cầu của mình Tại Đây. Nội dung chủ đề cần ghi rõ: Tên máy, Serial, Mã mainboard, lỗi gặp phải, Bios gốc của máy... Đầy đủ/chính xác để chúng tôi có thể support bạn tốt hơn.
    Cảm ơn!
    Please use the search function before creating a topic requesting documents. Only documents on the Hnfix.vn forum if not available/not available/no topic, category, thread... Please post a new topic, thread and post the clear content of your request Here. The topic content must clearly state: Machine name, Serial, Mainboard code, error encountered, original Bios of the computer... Complete/accurate so we can support you better. Change language English Here.
    Thank you!

TÀI LIỆU SỬA CHỮA

Asus ASUS Prime B250-PLUS REV1.02

BoardView For ASUS Prime B250-PLUS REV1.02
Asus PRIME-B250-PLUS-RG
Prime B250-PLUS REV1.02.fz...
 

Đính kèm

Asus PRIME-B250-PLUS-RG.pdf
1.5 MB · Lượt xem: 1

Prime B250-PLUS REV1.02.rar
145.9 KB · Lượt xem: 1

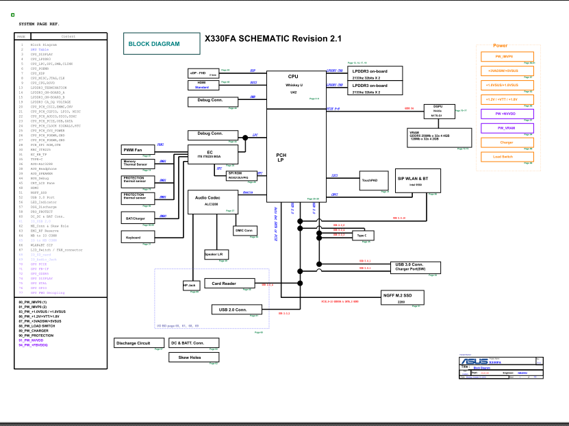
Asus ASUS X509FAC Rev2.0

BoardView For ASUS X509FAC Rev2.0
1706952386633
 

Đính kèm

ASUS X509FAC Rev2.0.rar
217.3 KB · Lượt xem: 4

Asus ASUS X409JA

  • By thanhluan119
  • Lượt xem: 911
ASUS X409JA Rev2.0 BoardView
BoardView PDF For ASUS X409JA Rev 2.0
ASUS X409JA R2.0
1706933524130
 

Đính kèm

  • 1706759142118.png
    1706759142118.png
    476.7 KB · Lượt xem: 215
ASUS X409 X409JA Rev2.0 photo.zip
30.4 MB · Lượt xem: 7

ASUS X409JA R2.0.rar
5.3 MB · Lượt xem: 8

EC-ITE.bin.zip
44.4 KB · Lượt xem: 4

ASUS X409JA Rev 2 BoardView PDF .pdf
665.2 KB · Lượt xem: 8

ASUS X409JA Rev2.0.rar
117.3 KB · Lượt xem: 16

Sửa lần cuối bởi điều hành viên:

Asus ASUS Pro A520M-C II

ASUS Pro A520M-C II Repair Guide
1706932847365
 

Đính kèm

ASUS Pro A520M-C II RG.pdf
1.3 MB · Lượt xem: 1

Asus ASUS Pro Q470M-C

ASUS Pro Q470M-C Repair Guide
1706932735540
 

Đính kèm

ASUS Pro Q470M-C RG.pdf
1.4 MB · Lượt xem: 1

Asus ASUS Pro WS C246-ACE

ASUS Pro WS C246-ACE Repair Guide
1706932628881
 

Đính kèm

ASUS Pro WS C246-ACE RG.pdf
1.9 MB · Lượt xem: 1

Asus ASUS Pro WS W480-ACE

ASUS Pro WS W480-ACE Repair Guide
1706932497553
 

Đính kèm

ASUS Pro WS W480-ACE RG.pdf
1.6 MB · Lượt xem: 1

Asus ASUS Pro WS WRX80E-SAGE SE WIFI

ASUS Pro WS WRX80E-SAGE SE WIFI Repair Guide
1706932394344
 

Đính kèm

ASUS Pro WS WRX80E-SAGE SE WIFI RG.pdf
1.5 MB · Lượt xem: 2

Asus ASUS Pro WS X570-ACE

ASUS Pro WS X570-ACE RG.pdf
1706932269064
 

Đính kèm

ASUS Pro WS X570-ACE RG.pdf
1.9 MB · Lượt xem: 1

Asus ASUS ProArt Z690-CREATOR WIFI

ASUS ProArt Z690-CREATOR WIFI RG
ASUS ProArt Z690-CREATOR WIFI RG.pdf
1706932142296
 

Đính kèm

ASUS ProArt Z690-CREATOR WIFI RG.pdf
1.6 MB · Lượt xem: 1

Top Bottom