Hnfix!

Diễn đàn chia sẻ Bios - Boardview - Schematic - Tài liệu sửa chữa, đăng ký để được nhận tài liệu từ các thành viên khác.

Đăng Ký Ngay!
  • Vui lòng sử dụng chức năng tìm kiếm trước khi tạo chủ đề yêu cầu tài liệu. Chỉ các tài liệu trên diễn đàn Hnfix.vn nếu không có/ không sẵn/ chưa có chủ đề, chuyên mục. Các bạn vui lòng post chủ đề mới và đăng tải nội dung rõ ràng yêu cầu của mình Tại Đây. Nội dung chủ đề cần ghi rõ: Tên máy, Serial, Mã mainboard, lỗi gặp phải, Bios gốc của máy... Đầy đủ/chính xác để chúng tôi có thể support bạn tốt hơn.
    Cảm ơn!
    Please use the search function before creating a topic requesting documents. Only documents on the Hnfix.vn forum if not available/not available/no topic, category, thread... Please post a new topic, thread and post the clear content of your request Here. The topic content must clearly state: Machine name, Serial, Mainboard code, error encountered, original Bios of the computer... Complete/accurate so we can support you better. Change language English Here.
    Thank you!

TÀI LIỆU SỬA CHỮA

Dell Dell Inspiron 15 3515 GDM54 LA-L245P REV: 1.0(A00)

Schematic For Dell Vostro 15 3515 - LA-L245P REV1.0 GDM54_GDM5D
Inspiron 15 3515 LA-L245P BIOS...
 

Đính kèm

16MB.bin.zip
5.2 MB · Lượt xem: 13

EC.bin.zip
51.6 KB · Lượt xem: 8

COMPAL GDM54_GDM5D LA-L245P r1.0.pdf
2.1 MB · Lượt xem: 21

Sửa lần cuối:

Dell Inspiron 7306 2-in-1 HELLCAT 13 TGL MB 19827-1

Inspiron 7306 2-in-1 hellcat 13 tgl mb 19827-1
BIOS, Schematics
Wistron Hellcat 13 Sensor.pdf...
 

Đính kèm



Wistron Hellcat 13 Schematics.pdf
3.3 MB · Lượt xem: 15

Wistron Hellcat 13 Sensor.pdf
31.9 KB · Lượt xem: 6

Sửa lần cuối:

Dell Dell XPS 9570 DDB00 LA-G341P REV 1.0

XPS 9570 ddp00 ddb00 LA-G341P rev1.0
BIOS 32MB
Schematics boardview LAG341P-1218 boardview...
 

Đính kèm

LAG341P-1218 boardview BRD.zip
5.3 MB · Lượt xem: 32


Precision_5530 NEW.rar
10.8 MB · Lượt xem: 53


LA-G341P.cad
3.2 MB · Lượt xem: 54

Sửa lần cuối bởi điều hành viên:

Dell Dell Vostro 3500 Wistron 09628-1

Boardview And Schematic For Dell Vostro 3500 Wistron 09628-1
1739161146505
 

Đính kèm

3500_a10.rar
1.9 MB · Lượt xem: 3

ROSA DW50 MB Troubleshooting Guide.pdf
1.8 MB · Lượt xem: 2

DW50_DCIN BD_X00 09628.pdf
164.5 KB · Lượt xem: 2

dw50_calpella_x00-0909.pdf
1.7 MB · Lượt xem: 2

09738-1.brd
24.5 KB · Lượt xem: 2

09628-1 EC.BIN.zip
62.6 KB · Lượt xem: 2

09290-SA.brd
300.4 KB · Lượt xem: 2

09289-50 SA.BRD
242.6 KB · Lượt xem: 2

09264-SA.BRD
191.1 KB · Lượt xem: 2

09260-SA.BRD
246 KB · Lượt xem: 2

Dell Dell Latitude 3420 - Cyborg-L14 MB TLG - 213093-1

Dell Latitude 3420 - Cyborg-L14 MB TLG - 213093-1 Boardview
CyborgLTgl_CY_64 v1.11.0.bin
Wistron...
 

Đính kèm


CyborgLTgl_CY_64 v1.11.0.rar
9.2 MB · Lượt xem: 23


QRQY00001063 Schematic.pdf
655.5 KB · Lượt xem: 8

Sửa lần cuối bởi điều hành viên:

Dell Dell Alienware X15 R2 - COMPAL LA-L613P REV 2.0

Dell Alienware X15 R2 - COMPAL LA-L613P REV 2.0 BoardView
Dell Alienware X15 R2 - COMPAL...
 

Đính kèm


Dell Dell ALIENWARE X17 R1 - GDS70 LA-K472P Rev: 0.3

Boardview And Schematic For Dell ALIENWARE X17 R1 - GDS70 LA-K472P Rev: 0.3
Dell ALIENWARE X17...
 

Đính kèm

  • 1677727645141.png
    1677727645141.png
    196.3 KB · Lượt xem: 329
outimage.rar
9.8 MB · Lượt xem: 3



Sửa lần cuối:

Dell Dell Inspiron XPS 13 7390 Compal DDP31 LA-G172P Rev: 1.0

Dell XPS 13 7390 2-in-1
BIOS, 10th, DDP31 LA-G172P
13.0.0.1082
Schematics boardview
LA-G172P...
 

Đính kèm

  • 1671613482569.png
    1671613482569.png
    155.9 KB · Lượt xem: 198

UPD4.BIN.zip
17.5 KB · Lượt xem: 3

UH8.rar
7.4 MB · Lượt xem: 4

LA-G172P.zip
419.8 KB · Lượt xem: 10

LA-G172P R10-0527.brd.zip
13.6 MB · Lượt xem: 8

Sửa lần cuối:

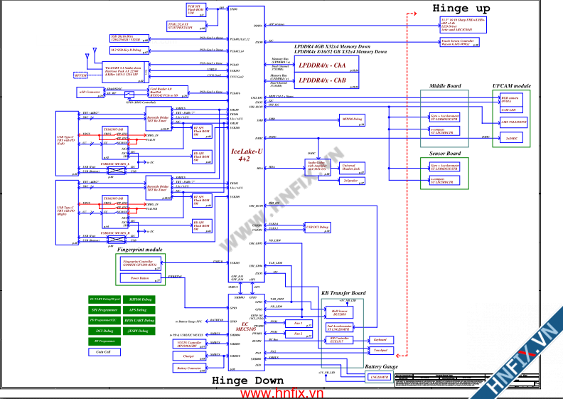
Dell Dell G15 5511 Compal GDL58 LA-K455P Rev: 1.0(A00)

Boardview And Schematic For Dell G15 5511 LA-K455P REV 1.0 MB
BIOS
Dell G15 5511 - LA-K452P...
 

Đính kèm

  • 1662309418078.png
    1662309418078.png
    5.6 MB · Lượt xem: 261
  • 1662309446749.png
    1662309446749.png
    5.6 MB · Lượt xem: 263
  • 1671336443913.png
    1671336443913.png
    121.7 KB · Lượt xem: 298
Dell Alienware M15 LA-K455P.pdf
4.2 MB · Lượt xem: 18

LA-K452P.cad.zip
414 KB · Lượt xem: 15



Sửa lần cuối bởi điều hành viên:

Dell Dell Inspiron Plus 7630 223053-1

Dell Inspiron 14 Plus 7430 and 16 Plus 7630 System BIOS
Inspiron 16 Plus 7630 Bios Test OK
 

Đính kèm

Inspiron 16 Plus 7630 Bios.rar
10.8 MB · Lượt xem: 10


Sửa lần cuối:
Top Bottom