Hnfix!

Diễn đàn chia sẻ Bios - Boardview - Schematic - Tài liệu sửa chữa, đăng ký để được nhận tài liệu từ các thành viên khác.

Đăng Ký Ngay!
  • Vui lòng sử dụng chức năng tìm kiếm trước khi tạo chủ đề yêu cầu tài liệu. Chỉ các tài liệu trên diễn đàn Hnfix.vn nếu không có/ không sẵn/ chưa có chủ đề, chuyên mục. Các bạn vui lòng post chủ đề mới và đăng tải nội dung rõ ràng yêu cầu của mình Tại Đây. Nội dung chủ đề cần ghi rõ: Tên máy, Serial, Mã mainboard, lỗi gặp phải, Bios gốc của máy... Đầy đủ/chính xác để chúng tôi có thể support bạn tốt hơn.
    Cảm ơn!
    Please use the search function before creating a topic requesting documents. Only documents on the Hnfix.vn forum if not available/not available/no topic, category, thread... Please post a new topic, thread and post the clear content of your request Here. The topic content must clearly state: Machine name, Serial, Mainboard code, error encountered, original Bios of the computer... Complete/accurate so we can support you better. Change language English Here.
    Thank you!

TÀI LIỆU SỬA CHỮA

Lenovo Lenovo Ideapad 1-14ADA7 LCFC GLS1A/GLS1B LA-L501P Rev: 1A

Schematic And Boardview for Lenovo Ideapad 1-14ADA7 Laptop/Notebook, LCFC GLS1A/GLS1B LA-L501P...
 

Đính kèm

  • 1673341393832.png
    1673341393832.png
    91.6 KB · Lượt xem: 220
Ideapad 1 - 14ADA7 - LA-L501P REV1A.pdf
3.2 MB · Lượt xem: 3


Sửa lần cuối:

Lenovo Lenovo IdeaPad G580 Compal LA-7981P LA-7982P LA-7988P

Boardview And Schematic For Lenovo IdeaPad G580 Compal LA-7981P LA-7982P LA-7988P
Lenovo G580...
 

Đính kèm

  • 1662953986583.png
    1662953986583.png
    93.8 KB · Lượt xem: 209

LENOVO G480 - LA-7982P REV1.0 BoardView.rar
237.1 KB · Lượt xem: 7

Lenovo G580 LA-7982P Bios Test ok.rar
3 MB · Lượt xem: 4

Sửa lần cuối bởi điều hành viên:

Lenovo Lenovo Legion 5-15ITH6 LCFC NM-D741 Rev: 1.0

Lenovo Legion5 15ITH6 NM-D741 REV 0.1
Bios BOARDVIEW AND SCHEMATIC
1673599314858
 

Đính kèm

NM-D741.rar
6.4 MB · Lượt xem: 7

NM-D741 REV0.1.pdf
2.2 MB · Lượt xem: 5

NM-D741 REV0.1.tvw.zip
6.3 MB · Lượt xem: 5

Sửa lần cuối bởi điều hành viên:

Lenovo Lenovo Legion 5-15IMH05H - LCFC NM-C921

Lenovo Legion 5-15IMH05H - LCFC NM-C921 Rev 1.0 SCHEMATIC
Legion 5-15IMH05 - NM-C921 REV 1.0...
 

Đính kèm





Lenovo Lenovo Legion 5 Pro -16IAH7 - Legion Y7000P IAH7- NM-E241

Lenovo Legion 5 Pro -16IAH7 - NM-E241 - Bios, Schematic, Boardview
Lenovo Legion Y7000P IAH7-...
 

Đính kèm

Boardview.zip
3.5 MB · Lượt xem: 23

MIC.pdf
158.1 KB · Lượt xem: 3

NM-E241 REV0.3.pdf
2.7 MB · Lượt xem: 26

USB.pdf
231 KB · Lượt xem: 3

16MB.rar
5 MB · Lượt xem: 4

8MB.rar
2 MB · Lượt xem: 4

Sửa lần cuối:

Lenovo Lenovo Thinkcenter M800 M900 IQ1X0MS Ver 1.0

Schematic And BoardView PDF For Lenovo Thinkcenter M800 M900 IQ1X0MS Ver 1.0 Mainboard...
 

Đính kèm


MS-7988 REV1.1- IQ1X0MS.pdf
2.7 MB · Lượt xem: 1

MS-7988_10 (BDV).cad.zip
933.6 KB · Lượt xem: 1

MS-7988_11 (BDV).cad.zip
933.1 KB · Lượt xem: 1

MS-7988_24 (BDV).cad.zip
870.5 KB · Lượt xem: 1

MS-7988-1.0-1224 schematic.pdf
2.6 MB · Lượt xem: 1

Sửa lần cuối:

Lenovo Lenovo G400 - VIWGR LA-9631P REV 1.0

Boardview And Schematic For Lenovo G400 - VIWGR LA-9631P rev 1.0
Lenovo G400 - LA-9631P...
 

Đính kèm

Lenovo G400 - LA-9631P Boardview.rar
536.6 KB · Lượt xem: 1

G400_Compal_VIWGR_LA-9631P.pdf
1.2 MB · Lượt xem: 1

Lenovo Lenovo ThinkPad X1 Nano Gen 1 19796-3

Boardview And Schematic Lenovo ThinkPad X1 Nano Gen 1 19796-3
Lenovo ThinkPad X1 Nano Gen 2...
 

Đính kèm

19796-1.brd.zip
57.5 KB · Lượt xem: 5

19796-3 Bios.rar
11.6 MB · Lượt xem: 19



Lenovo Lenovo JX3C5 JX3C6 - NM-E422 REV: 0.5

Lenovo JX3C5 JX3C6 - NM-E422 REV0.5 BoardView
1692600139108
 

Đính kèm


16.BIN.zip
9.4 MB · Lượt xem: 1

R22ET61W.bin.zip
16.6 MB · Lượt xem: 1

Sửa lần cuối:

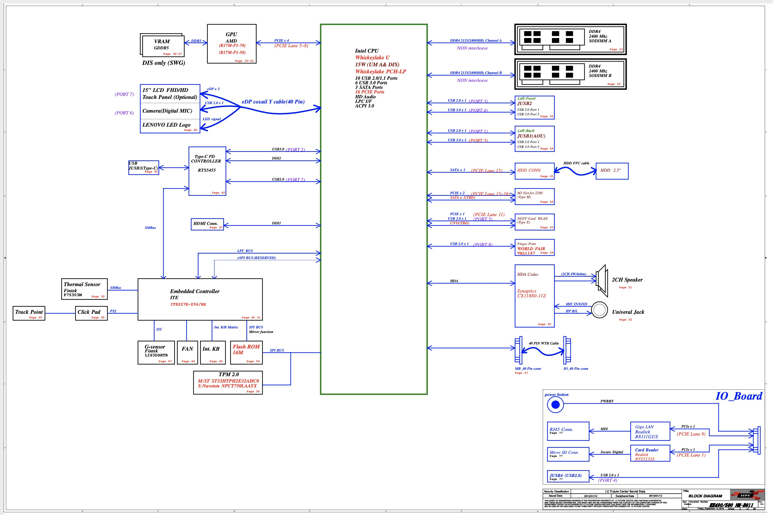
Lenovo Lenovo Thinkpad E590 LCFC FE490/FE590/FE480 NM-B911 REV: 1.0

S3 NM-B911 BIOS
i5-i5-8265U 216-0905018
NM-B911_E490_SVT_20180914_2100.pdf
NMB911R10-SILKBOT.pdf...
 

Đính kèm

  • 1662473807370.png
    1662473807370.png
    950 KB · Lượt xem: 242
Lenovo E490 NM-B911 photo.zip
9.5 MB · Lượt xem: 4

NMB911R10-SILKTOP.pdf
92.7 KB · Lượt xem: 4

NMB911R10-SILKBOT.pdf
162.7 KB · Lượt xem: 4

NM-B911.BIN
16 MB · Lượt xem: 6

NM-B911_E490_SVT_20180914_2100.pdf
5.8 MB · Lượt xem: 6


Sửa lần cuối:
Top Bottom