Hnfix!

Diễn đàn chia sẻ Bios - Boardview - Schematic - Tài liệu sửa chữa, đăng ký để được nhận tài liệu từ các thành viên khác.

Đăng Ký Ngay!
  • Vui lòng sử dụng chức năng tìm kiếm trước khi tạo chủ đề yêu cầu tài liệu. Chỉ các tài liệu trên diễn đàn Hnfix.vn nếu không có/ không sẵn/ chưa có chủ đề, chuyên mục. Các bạn vui lòng post chủ đề mới và đăng tải nội dung rõ ràng yêu cầu của mình Tại Đây. Nội dung chủ đề cần ghi rõ: Tên máy, Serial, Mã mainboard, lỗi gặp phải, Bios gốc của máy... Đầy đủ/chính xác để chúng tôi có thể support bạn tốt hơn.
    Cảm ơn!
    Please use the search function before creating a topic requesting documents. Only documents on the Hnfix.vn forum if not available/not available/no topic, category, thread... Please post a new topic, thread and post the clear content of your request Here. The topic content must clearly state: Machine name, Serial, Mainboard code, error encountered, original Bios of the computer... Complete/accurate so we can support you better. Change language English Here.
    Thank you!

TÀI LIỆU SỬA CHỮA

Hp HP Victus 16-E Series DAG3MQMBAE0 Rev: E

Boardview And Schematic For HP Victus 16-E Series DAG3MQMBAE0 Rev: E
Quanta G3MQ DAG3MQMBAE0...
 

Đính kèm

  • 1693555464725.png
    1693555464725.png
    133.2 KB · Lượt xem: 195
Quanta G3MQ DAG3MQMBAE0 Schematic.pdf
2.6 MB · Lượt xem: 17

Quanta G3MQ DAG3MQMBAE0 Boardview.cad
6.1 MB · Lượt xem: 15

088EB DMI.rar
5.9 MB · Lượt xem: 5

Sửa lần cuối:

Hp HP 850 G5 6050A2930901-MB-A01

HP 850 G5
CPU I5 8TH
6050A2930901-MB-A01

FULL DUMP OK

25L256 AND EC 25Q128FV
 

Đính kèm

830 G5_16MB.rar
4.9 MB · Lượt xem: 6

830 G5_32MB.rar
8.8 MB · Lượt xem: 10

Hp HP 285 G3 Microtower PC - Sunflower MB REV A - 17516-1

Bios For HP 285 G3 Microtower PC - Sunflower MB REV A - 17516-1
 

Đính kèm


Hp HP ENVY x360 2-in-1 Laptop 15-ey Series LA-M025P

HP ENVY x360 2-in-1 Laptop 15-ey Series LA-M025P
BIOS
Key counted from left to right. Select...
 

Đính kèm

013A8.rar
5.9 MB · Lượt xem: 8

la-m025p ec kb9542p.rar
60.9 KB · Lượt xem: 1

Sửa lần cuối bởi điều hành viên:

Hp HP ProBook 440 G10 DAX8TMB8E1 REV E

Bios Bin File For HP ProBook 440 G10 DAX8TMB8E1 REV E
Photo
 

Đính kèm

ec.rar
10.9 MB · Lượt xem: 1

main.rar
14.1 MB · Lượt xem: 3

Hp HP EliteBook 840 G9 6050A3417601-MB-A01

BIOS For HP EliteBook 840 G9 WARPATH-MV-GBM 6050A3417601-MB-A01
hp 6050A3417601 MB A01.BIN
hp...
 

Đính kèm


Hp HP EliteBook 840r G4 6050A2939701-MB-A01(A1)

Bios Bin File For HP EliteBook 840r G4 6050A2939701-MB-A01
16MB EC.bin
EliteBook 840r G4 32MB.bin
 

Đính kèm

16MB.rar
5.2 MB · Lượt xem: 2

EliteBook 840r G4 32MB.rar
8.7 MB · Lượt xem: 3

Hp HP Omen 15-EN Series Quanta G3ED DAG3EDMB8D0

  • By thanhluan119
  • Lượt xem: 961
HP Omen 15-EN Series Quanta G3ED DAG3EDMB8D0
BIOS G3ED
Schematic & Boardview for HP Omen 15-EN...
 

Đính kèm

  • 1662381202488.png
    1662381202488.png
    1,010.3 KB · Lượt xem: 220
  • 1693803149094.png
    1693803149094.png
    136.4 KB · Lượt xem: 185
HP 15-en0030AX DAG3EDMB8D0 - G3ED.rar
6.6 MB · Lượt xem: 1

Quanta G3ED DAG3EDMB8D0 Boardview.cad
6.1 MB · Lượt xem: 1

Quanta G3ED DAG3EDMB8D0 Schematic.pdf
2.7 MB · Lượt xem: 1

Sửa lần cuối bởi điều hành viên:

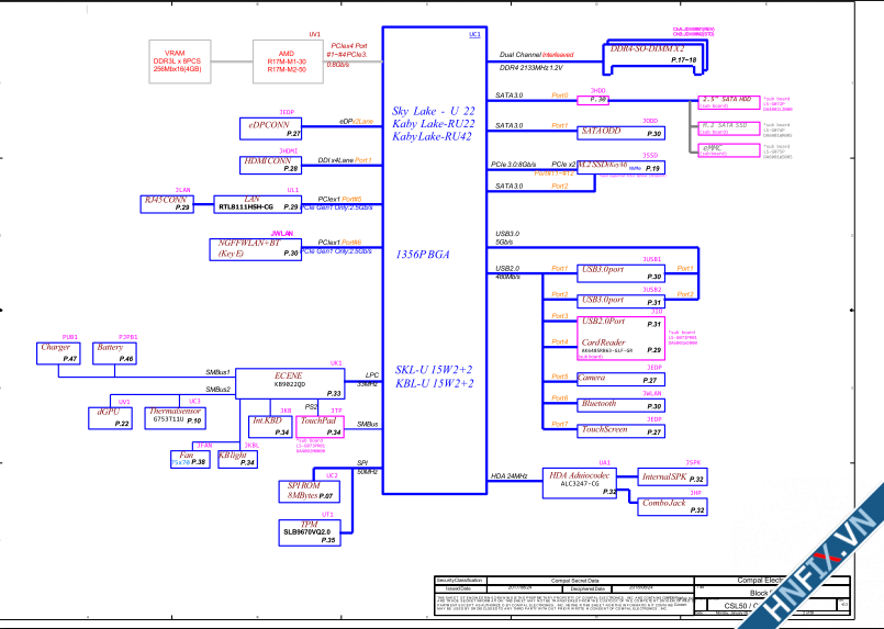
Hp HP 250 G6, HP 15-BS Compal CSL50 CSL52 LA-E791P

Schematic for HP 250 G6, HP 15-BS Series Laptop/Notebook, Compal CSL50 CSL52 LA-E791P Mainboard...
 

Đính kèm

  • 1698304828764.png
    1698304828764.png
    150.8 KB · Lượt xem: 222
  • 1698304841637.png
    1698304841637.png
    191 KB · Lượt xem: 446
CSL50 CSL52 LA-E791P SCH SILK.pdf
5.4 MB · Lượt xem: 10

CSL50 CSL52 LA-E791P SCH SILK_BV.pdf
853.1 KB · Lượt xem: 7


Sửa lần cuối:

Hp HP 15-BS Series Compal CKL50 LA-E801P Rev: 1.0

HP Notebook - 15-bs089nia CKL50 LA-E801P Rev 1.0
BIOS 08328
BIOS Clear me
HP 15-BS Series Compal...
 

Đính kèm

  • 1672122900832.png
    1672122900832.png
    115.1 KB · Lượt xem: 274
  • 1698227809669.png
    1698227809669.png
    297.1 KB · Lượt xem: 332
EPK50 LA-G07AP (REV 1.0).pdf
12.9 MB · Lượt xem: 4

ec.bin.zip
62 KB · Lượt xem: 1

084A6 DMI 8MB.bin.zip
5.6 MB · Lượt xem: 2

CKL50 LA-E801P SCH SILK-60.pdf
830 KB · Lượt xem: 3



Sửa lần cuối:
Top Bottom